×
搜索
搜索
网站导航
首 页
公司简介
产品中心
生产实力
资质证书
公司参展
服务支持
联系我们
您的位置:
首页
→
产品中心
→
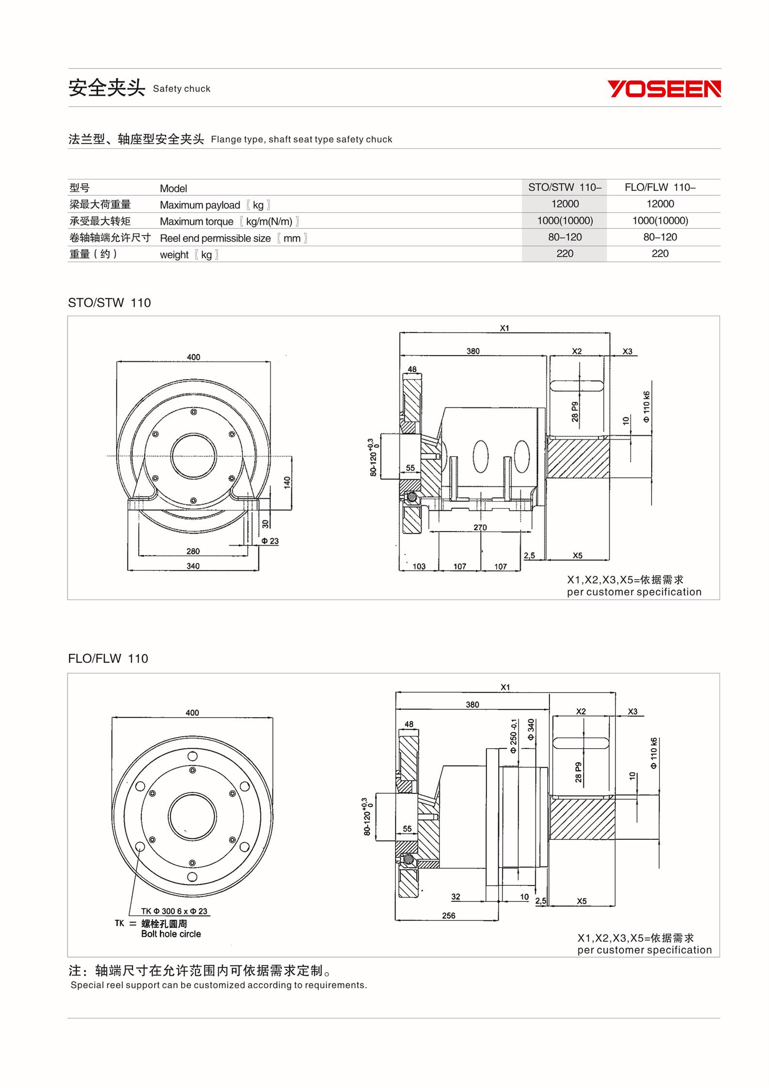
安全夹头
→
法兰型
安全夹头法兰型
上一个:YS-B1型空心轴外壳旋转式磁粉制动器
下一个:安全夹头轴座型
详情介绍
联系我们
404 Not Found
404 Not Found
Firewall 666