×
搜索
搜索
网站导航
首 页
公司简介
产品中心
生产实力
资质证书
公司参展
服务支持
联系我们
您的位置:
首页
→
产品中心
→
NAC空压通轴式离合器
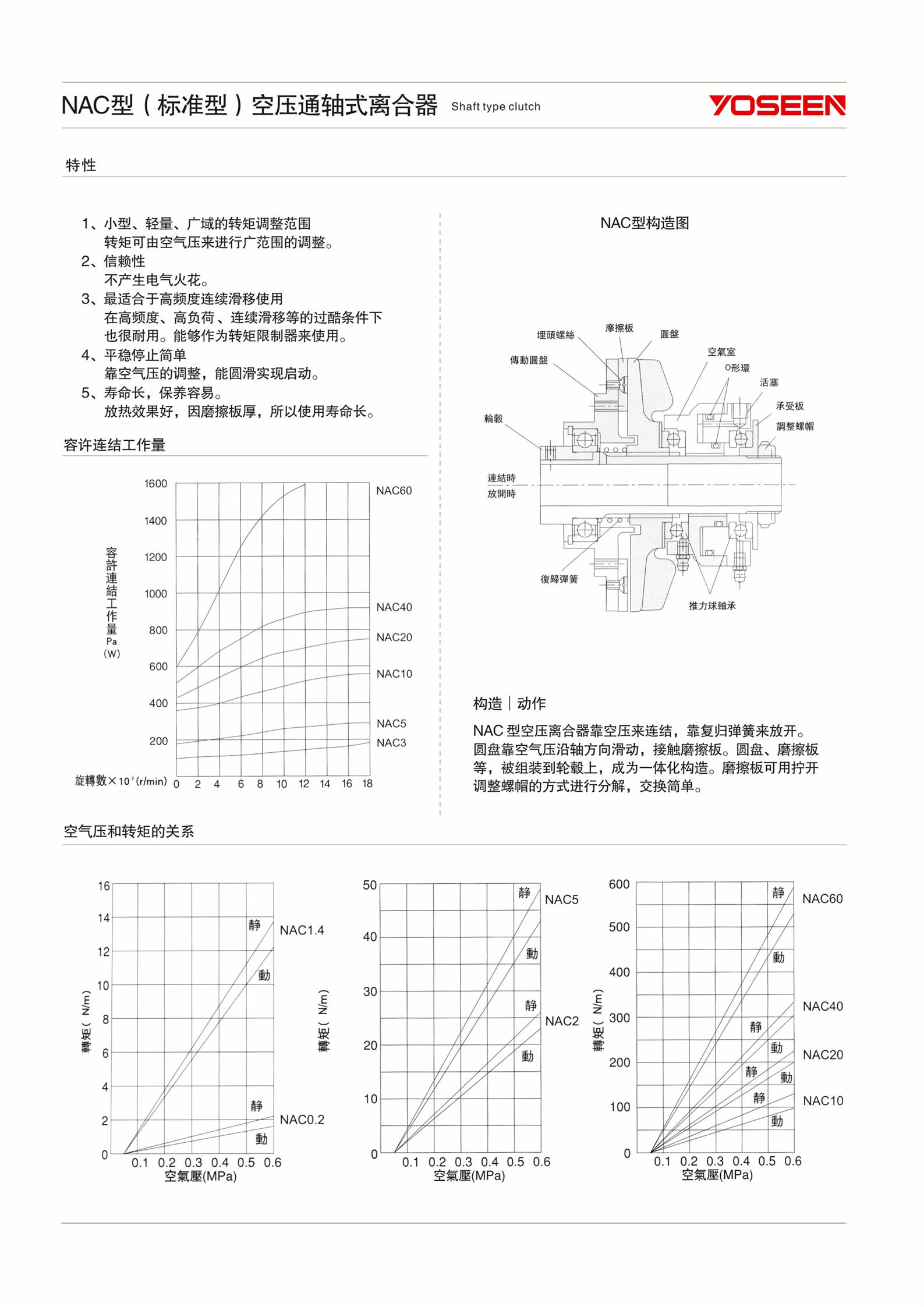
NAC型空压通轴式离合器
上一个:KTC002型手动张力控制器
下一个:PAU-4B型手动张力控制器
详情介绍
联系我们
404 Not Found
404 Not Found
Firewall 666